Parallel ladendes 4-Bit-Register
Auf vier Leitungen ankommende Daten sollen von einem Register
gleichzeitig übernommen werden.

4-Bit-Rechtsschieberegister
Bei fallender Taktflanke soll der Inhalt eines Registers um eine
Stelle nach rechts geschoben werden. Von links her kann ein Wert
nachgeschoben werden, der am Eingang E anliegt. Der Anfangswert kann
durch statisches Setzen und Löschen in das Register geschrieben
werden.
Parallel ladendes 4-Bit-Schieberegister
Schieberegister und Laderegister sollen miteinander kombiniert
werden. Bei fallender Taktrate sollen Daten übernommen werden. Die
Steuerleitung S gibt an, ob Daten parallel geladen oder verschoben
werden sollen.
Asynchroner 4-Bit-Zähler

Synchroner 4-Bit-Zähler
Asynchron arbeitende Zähler haben keinen gemeinsamen Takt. Die
Flip-Flops in einen asynchronen Zähler werden zu unterschiedlichen
Zeiten geschaltet. Die Steuerung sieht im Prinzip so aus, dass das
erste Flip-Flop das zweite steuert, das zweite Flip-Flop das dritte,
usw.. D. h., die Flip-Flops schalten nicht gleichzeitig, sondern in
Abhängigkeit der Signallaufzeit bzw. Schaltzeit des vorherigen
Flip-Flops, zu einem späteren Zeitpunkt.
Bei Flip-Flops aus der Standard-Flip-Flop-Schaltkreisfamilie dauert
die Signallaufzeit wenige Nanosekunden. Je höher die zählbare binäre
Zahl ist (z. B. 12 Bit), desto länger dauert es, bis der Impuls vom
ersten Flip-Flop sich am letzten Flip-Flop auswirkt. Diese lange
Laufzeit des Zählimpulses kann zu Störungen und so zu Fehlern beim
Zählen führen. Je höher die Zählfrequenz, desto eher treten Probleme
auf. Werden nur Sekunden gezählt, dann ist ein Asynchronzähler kein
Problem. Damit die Flip-Flops zur gleichen Zeit kippen ist eine
Steuerung mit einem gemeinsamen Takt notwendig. So arbeitende Zähler
sind Synchronzähler. Zur Erstellung der Schaltung wird eine
Schaltwerttabelle benötigt. Im folgenden Beispiel wird ein
4-Bit-Zähler gesucht. z0 bis z3 geben den momentanen Zustand
der Flipflops an. k0 bis k3 bzw. j0 bis j3 geben die
Eingangsbelegung wieder, die nötig ist, um den nächsten Wert zu
erreichen.
| z3 |
22 |
z1 |
z0 |
j3 |
k3 |
j2 |
k2 |
j1 |
k1 |
j0 |
k0 |
| 0 |
0 |
0 |
0 |
0 |
x |
0 |
x |
0 |
x |
1 |
0 |
| 0 |
0 |
0 |
1 |
0 |
x |
0 |
x |
1 |
x |
0 |
1 |
| 0 |
0 |
1 |
0 |
0 |
x |
0 |
x |
x |
0 |
1 |
0 |
| 0 |
0 |
1 |
1 |
0 |
x |
1 |
x |
x |
1 |
0 |
1 |
| 0 |
1 |
0 |
0 |
0 |
x |
x |
0 |
0 |
x |
1 |
0 |
| 0 |
1 |
0 |
1 |
0 |
x |
x |
0 |
1 |
x |
0 |
1 |
| 0 |
1 |
1 |
0 |
0 |
x |
x |
0 |
x |
0 |
1 |
0 |
| 0 |
1 |
1 |
1 |
1 |
x |
x |
1 |
x |
1 |
0 |
1 |
| 1 |
0 |
0 |
0 |
x |
0 |
0 |
x |
0 |
x |
1 |
0 |
| 1 |
0 |
0 |
1 |
x |
0 |
0 |
x |
1 |
x |
0 |
1 |
| 1 |
0 |
1 |
0 |
x |
0 |
0 |
x |
x |
0 |
1 |
0 |
| 1 |
0 |
1 |
1 |
x |
0 |
1 |
x |
x |
1 |
0 |
1 |
| 1 |
1 |
0 |
0 |
x |
0 |
x |
0 |
0 |
x |
1 |
0 |
| 1 |
1 |
0 |
1 |
x |
0 |
x |
0 |
1 |
x |
0 |
1 |
| 1 |
1 |
1 |
0 |
x |
0 |
x |
0 |
x |
0 |
1 |
0 |
| 1 |
1 |
1 |
1 |
x |
1 |
x |
1 |
x |
1 |
0 |
1 |
j3 = j2 ∧z2
k3 = j2 ∧ z2
j2 = z0 ∧ z1
k2 = z0 ∧ z1
j1 = z0
k1 = z0
j0 = ¬z0
k0 = z0

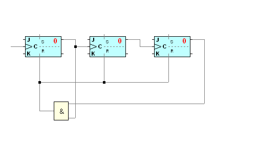
Asynchroner modulo 5 Zähler
Ein Modulo-n-Zähler beginnt bei 0 zu zählen. Er zählt bis zum
Wert n. Bei diesem Zählschritt wird dann auf 0 zurückgesetzt. Das n
steht also für die Anzahl der Zählschritte des Zählers. Die
Zählweise des gesuchten Zählers wäre also
0-1-2-3-4-0-1-2-3-4-0-1-....Ein asynchroner Zähler besteht aus
Flip-Flops und einem Auswerte-Baustein. Die Flip-Flops müssen einen
taktunabhängigen Rücksetzeingang haben. In diesem Beispiel hat der
Zähler 3 Flip-Flops als Zähler und eine UND-Verknüpfung für die
Auswertung.

Synchroner modulo 5 Zähler
Für den synchronen modulo-5-Zähler benötigt man wieder eine
Schaltwerttabelle.
| z2 |
z1 |
z0 |
j2 |
k2 |
j1 |
k1 |
j0 |
k0 |
| 0 |
0 |
0 |
0 |
x |
0 |
x |
1 |
0 |
| 0 |
0 |
1 |
0 |
x |
1 |
x |
0 |
1 |
| 0 |
1 |
0 |
0 |
x |
x |
0 |
1 |
0 |
| 0 |
1 |
1 |
1 |
x |
x |
1 |
0 |
1 |
| 1 |
0 |
0 |
0 |
1 |
0 |
x |
0 |
0 |
j2 = z0 ∧ z1
k2 = z2
j1 = z0
k1 = z0
j0 = ¬z0 ∧ ¬z2
k0 = z0

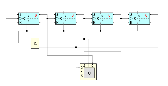
Asynchroner BCD-Zähler
BCD-Zähler sind grundsätzlich 4-Bit-Dual-Zähler. An den Ausgängen
müssen die Signale des BCD-Codes abnehmbar sein. Obwohl BCD-Zähler
als Dezimalzähler bezeichnet werden, zählt der Zähler im dualen
Zahlensystem. BCD sind binär codierte Dezimalzahlen. BCD-Zähler gibt
es als Vorwärts-, Rückwärts- und umschaltbare Zähler. Die
Zählrichtung eines Zählers ist abhängig von der Nutzung der
Ausgänge. Das Ausgangssignal Q wird für die Vorwärtsrichtung, das Ausgangssignal Q (neg.) für die
Rückwärtszählrichtung verwendet. Das bedeutet, dass je nachdem, welche
Ausgänge verwendet werden, ein Zähler vorwärts oder rückwärts zählt.
Um die Zählrichtung steuern bzw. umschalten zu können muss man
zwischen die Flip-Flops eine Steuerschaltung einsetzen, mit der die
Zählrichtung umgeschaltet werden kann.

Serielles Addierwerk mit Taktstopp
Es soll ein 4-Bit Addierwerk entwickelt werden, in dem zwei
Zahlen nacheinander bitweise addiert werden. Nach vier Takten soll
die Rechnung automatisch beendet werden.

Ein 4*4-Bit Speicher
